
FAIRINO FR20の特徴
FR20協働ロボットは、強力で拡張性と持続可能性に優れたプラットフォーム製品であり、システムインテグレータやエンドユーザーに力を与え、課題解決のための強力な選択肢を提供します。
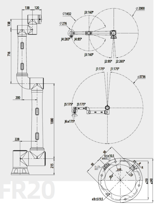
仕様
| 最大可搬 | 20kg |
| リーチ | 1854mm |
| 繰り返し精度 | ±0.1mm |
| 保護等級 | IP54 (オプションでIP65) |
| 電源タイプ | AC |
| 本体重量 | ≈85kg |
FAIRINO FR20の特徴
1.強力なパフォーマンス
高負荷に対応できる能力を持ち、重い作業を効率的に処理します。
2.拡張性
他のシステムとの統合が簡単にでき、みんなのオペレーションに組み込めます。
3.持続可能性
環境に配慮した設計で、エネルギー効率が高く、持続可能な運用を促進します。
4.高度なセンサー技術
安全性を優先しつつ、その間でのデータ収集と分析を可能にします。
5.ユーザーセンターのデザイン
使いやすいインターフェースにより、専門知識のないユーザーでも簡単に操作可能です。
FAIRINO FR20導入のメリット
1.課題解決能力
様々な業界特有のニーズに応えた柔軟な対応が可能で、業務の効率化を実現します。
2競争力の向上
自動化により生産性が向上し、市場での競争力を強化します。
3.コスト削減
長期的なコスト最適化が可能で、運用コストを考慮できます。
4.作業の安全性向上
協働ロボットとの共同作業により、人間の作業者にとっての安全性が向上します。
5.スケーラブルなソリューション
企業の成長に応じて柔軟にカスタマイズや拡張ができ、長期価値を提供します。
製品梱包セット内容

ACコントローラ

ACコントローラ入出力

本体入出力

外形・動作範囲

